在線咨詢咨詢熱線:400-0755-965
咨詢客服,我們快速為您報價,或者提供技術支持!
| 型號 | 材質 | 表面處理 |
| AXQTY | S45C | 四氧化三鐵保護膜 |
| AXQTN | 無電解鍍鎳 | |
| AXQS | SUS303 | - |
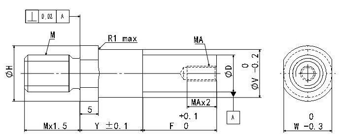
| 型號 | D(g6) | 指定單位1mm |
MA粗牙螺紋 選擇 |
M 粗牙螺紋 |
E | H | W | |||
| Y | F | |||||||||
| AXQTY | 6 |
-0.004 -0.012 |
7~60 | 5~75 | 3 | 6 | 8 | 10 | 8 | |
| AXQTN | 8 |
-0.005 -0.014 |
4 | 8 | 10 | 12 | 10 | |||
| AXQS | 10 | 4、5、6 | 10 | 13 | 15 | 13 | ||||
| 12 |
-0.006 -0.017 |
10~75 | 5、6、8 | 12 | 15 | 17 | 14 | |||
| 15 | 6、8、10 | 18 | 20 | 17 | ||||||
| MA | Y+F |
| M3 | Y+F≥11.5 |
| M4 | Y+F≥14.0 |
| M5 | Y+F≥16.2 |
| M6 | Y+F≥18.5 |
| M8 | Y+F≥23.5 |
| M10 |
Y+F≥28.5 |

掃一掃,關注我們