在線咨詢咨詢熱線:400-0755-965
咨詢客服,我們快速為您報價,或者提供技術支持!
| 型號 | 材質 | 表面處理 |
| ZJPFT | S45C | - |
| ZJPFTY | 四氧化三鐵保護膜 | |
| ZJPFTN | 無電解鍍鎳 | |
| ZJPFS | SUS303 | - |
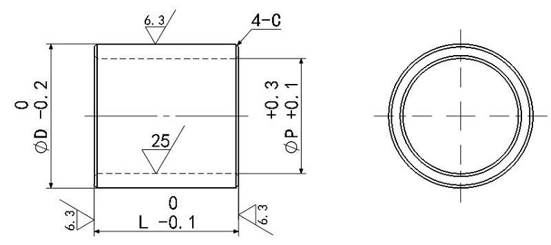
| 型號 |
P (P尺寸3以上指定單位0.5mm) |
D | L | C |
|
ZJWFT ZJWFTY ZJWFTN ZJWFS |
(選擇) 2.0 2.6 3.0~90.0 (指定單位0.5mm) |
4.0~20.0 (指定單位0.5mm) 21~100 (指定單位1mm) |
10.0~100 (指定單位0.1mm) |
D16.5以下C為0.1~0.2 |
| D16.5以上C為0.5以下 | ||||

掃一掃,關注我們