在線咨詢咨詢熱線:400-0755-965
咨詢客服,我們快速為您報價,或者提供技術支持!
| 型號 | 材質 | 表面處理 |
| ZJWFT | S45C | - |
| ZJWFTY | 四氧化三鐵保護膜 | |
| ZJWFTN | 無電解鍍鎳 | |
| ZJWFS | SUS303 | - |
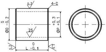
| 型號 |
P
(P尺寸3以上指定單位0.5mm)
|
D | L | C |
|
ZJWFT
ZJWFTY
ZJWFTN
ZJWFS
|
(選擇)
2.0
2.6
3.0~90.0
(指定單位0.5mm)
|
(選擇)
2.0
2.6
3.0~90.0
(指定單位0.5mm)
|
10.0~100
(指定單位0.1mm)
|
D16.5以下C為0.1~0.2 |
|
D16.5以上C為0.5以下 |

掃一掃,關注我們