在線咨詢咨詢熱線:400-0755-965
咨詢客服,我們快速為您報價,或者提供技術支持!
| 螺紋長度固定型 | 螺紋長度指定型 | 材質 | 表面處理 |
| AXWTY | AXWFTY | S45C | 四氧化三鐵保護膜 |
| AXWTN | AXWFTN | 無電解鍍鎳 | |
| AXWS | AXWFS | SUS303 | - |
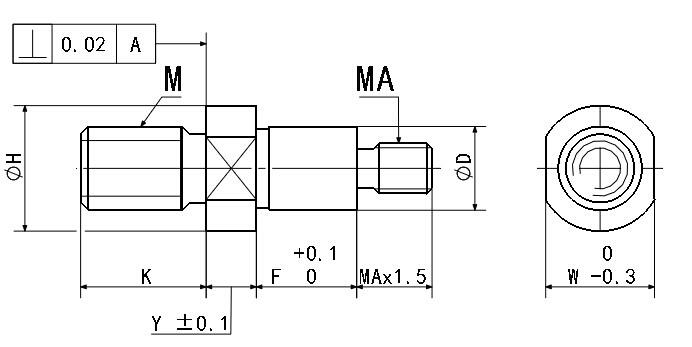
| 型號 | D(g6) | 指定單位1mm |
MA粗牙螺紋 選擇 |
M 粗牙螺紋 |
H | W | ||||
| Y | F | K | ||||||||
| 螺紋長度固定型 | 3 |
-0.002 -0.008 |
2~30 | 3~50 | 3~6 | 3 | M3 | 7 | 5 | |
| AXWTY | 4 |
-0.004 -0.012 |
4~8 | 3、4 | M4 | 8 | 6 | |||
| AXWTN | 5 | 5~10 | 3、4、5 | M5 | 9 | 7 | ||||
| AXWS | 6 | 2~60 | 5~100 | 6~12 | 4、5、6 | M6 | 10 | 8 | ||
| 螺紋長度指定型 | 8 |
-0.005 -0.014 |
8~16 | 5、6、8 | M8 | 12 | 10 | |||
| AXWFTY | 10 | 10~20 | 6、8、10 | M10 | 15 | 13 | ||||
| AXWFTN | 12 |
-0.006 -0.017 |
10~100 | 12~24 | 6、8、10、12 | M12 | 17 | 14 | ||
| AXWFS | 15 | 6、8、10、12 | 20 |
17 |
||||||

掃一掃,關注我們