在線咨詢咨詢熱線:400-0755-965
咨詢客服,我們快速為您報價,或者提供技術支持!
· 請按照選型步驟①-⑤選擇型式和參數后進行訂購。
訂貨舉例:型式(①Type.②D)-③Y-④F-⑤G
AXDS10-Y25-F18-G8
|
型號 |
材質 |
表面處理 |
|
AXDTY |
S45C |
四氧化三鐵保護膜 |
|
AXDTN |
無電解鍍鎳 |
|
|
AXDS |
SUS303 |
- |
·
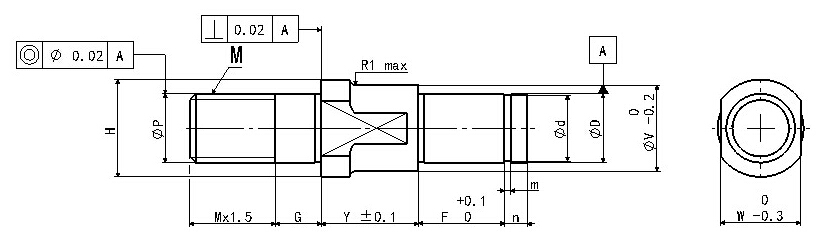
! W<E時,兩平面寬度W將擴展到直徑E的部位 Y+F≤100
Y≥17時,扳手槽為15,Y<17時,扳手槽銑穿
|
型號 |
D(g6) |
指定單位1mm |
P(g6) |
M |
E |
H |
W |
d |
m |
n |
||||
|
Y |
F |
G |
基準尺寸 |
公差 |
||||||||||
|
|
3 |
-0.002 |
7~30 |
3~50 |
3~8 |
3 |
M3 |
5 |
7 |
5 |
2 |
+0.06 |
0.5 |
2 |
|
AXDTY |
4 |
-0.004 |
4 |
M4 |
6 |
8 |
6 |
3 |
0.7 |
|||||
|
AXDTN |
5 |
5 |
M5 |
7 |
9 |
7 |
4 |
+0.075 |
||||||
|
AXDS |
6 |
7~60 |
5~100 |
5~10 |
6 |
M6 |
8 |
10 |
8 |
5 |
||||
|
|
8 |
-0.005 |
8 |
M8 |
10 |
12 |
10 |
7 |
+0.09 |
0.9 |
3 |
|||
|
|
10 |
10 |
M10 |
13 |
15 |
13 |
9.6 |
0 |
1.15 |
|||||
|
|
12 |
-0.006 |
10~100 |
5~15 |
12 |
M12 |
15 |
17 |
14 |
11.5 |
0 |
4 |
||
|
|
15 |
18 |
20 |
17 |
14.3 |
|||||||||
·

掃一掃,關注我們