歡迎光臨晉升泰精密(深圳)有限公司
在線咨詢咨詢熱線:400-0755-965
咨詢客服,我們快速為您報價,或者提供技術支持!
· 請按照選型步驟①-⑤選擇型式和參數后進行訂購。
訂貨舉例:型式(①Type.②D)-③L-④E-⑤N
AHFTHRY3-L5-E1-N1
|
Type |
D公差 |
相當材質 |
硬度 |
表面處理 |
|
AHFTHRY |
g6 |
S45C |
40~45HRC |
四氧化三鐵保護膜 |
|
AHFSS |
SUS304 |
/ |
/ |
|
|
AHFCHR |
SUS440C |
45~50HRC |
·
|
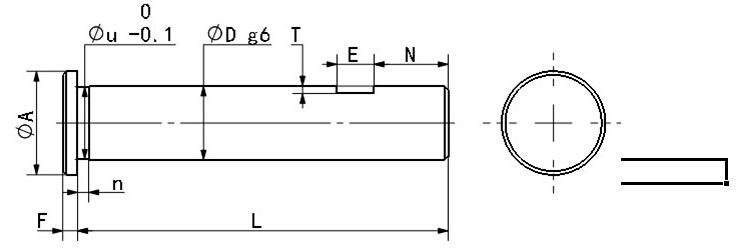
Type |
D公差(g6) |
L |
指定單位0.1mm |
A |
(u) |
F |
(n) |
(T) |
||
|
E |
N |
|||||||||
|
AHFTHRY |
3 |
-0.002 |
5.0~50.0 |
1≤E≤50 |
0≤F≤L/2 |
5.5 |
2.9 |
1.5 |
1.5 |
0.5 |
|
4 |
-0.004 |
6.5 |
3.9 |
|||||||
|
5 |
10.0~60.0 |
8 |
4.9 |
|||||||
|
6 |
10.0~100.0 |
9 |
5.8 |
1 |
||||||
|
8 |
-0.005 |
12 |
7.8 |
2 |
||||||
|
10 |
15.0~100.0 |
14 |
9.8 |
|||||||
|
12 |
-0.006 |
17 |
11.8 |
3 |
||||||
|
15 |
20.0~100.0 |
20 |
14.8 |
|||||||
|
16 |
21 |
15.8 |
2 |
|||||||
|
20 |
-0.007 |
26 |
19.8 |
4 |
||||||
|
25 |
30 |
24.8 |
||||||||
·

掃一掃,關注我們