在線咨詢咨詢熱線:400-0755-965
咨詢客服,我們快速為您報價,或者提供技術支持!
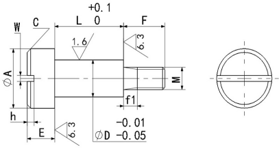
請按照選型步驟①-⑥選擇型式和參數后進行訂購。
訂貨舉例:型式(①Type.②D)-③L-④A-⑤E-⑥F
LCFAS4-L6-A8-E4-F3
| 一字槽 | 材質 | 表面處理 |
| LCFATY | S45C | 四氧化三鐵保護膜 |
| LCFAS | SUS303 | / |
| D | L 指定單位0.1mm | A | E 指定單位0.1mm | F 指定單位1mm |
| 4 | 5.0~20.0 | 6 8 | 2.0~4.0 | 3~4 |
| 5 | 8 10 | 3~5 | ||
| 6 | 10 12 | 2.5~4.5 | 4~8 | |
| 8 | 12 16 | 5~10 | ||
| 10 | 16 18 20 | 3.0~5.0 | 6~12 | |
| 12 | 18 20 22 24 |
8~12 |

掃一掃,關注我們