在線咨詢咨詢熱線:400-0755-965
咨詢客服,我們快速為您報價,或者提供技術支持!
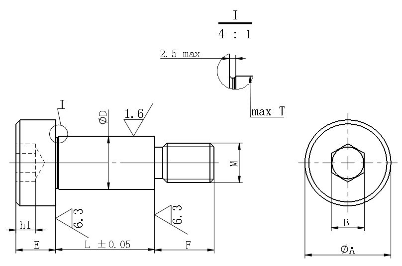
請按照選型步驟①-⑤選擇型式和參數后進行訂購。
訂貨舉例:型式(①Type.②D)-③L
標準型 DGG4-L10
訂貨舉例:型式(①Type.②D)-③L-④F-⑤M
自由指定型 DFGG4-L10-F5-M3
| Type | D公差 | 相當材質 | 硬度 | 強度分類 | |
| 標準型 | LDGGR | g6 | SCM435 | 33~38HRC | 10.9 |
| 自由指定型 | LDFGGR | ||||
| 自由指定型 | LDFGS | 相當于SUS304 | / | A2-50 | |
| 自由指定型 | LDFHGR | h7 | SCM435 | 33~38HRC | 10.9 |
| 自由指定型 | LDFHS | 相當于SUS304 | / | A2-50 |
| D | L指定單位0.1mm | F指定單位0.5mm | M粗牙螺紋 |
| 4 | 10—40 | 3~8 | 3 4 |
| 4.5 | 3~8 | 3 4 | |
| 5 | 4~10 | 3 4 5 | |
| 5.5 | 4~10 | 3 4 5 | |
| 6 | 5~12 | 4 5 6 | |
| 6.5 | 5~12 | 4 5 6 | |
| 8 | 6~16 | 5 6 8 | |
| 10 | 8~20 |
6 8 10 |

掃一掃,關注我們