在線咨詢咨詢熱線:400-0755-965
咨詢客服,我們快速為您報價,或者提供技術支持!
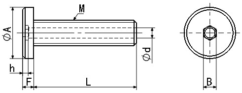
請按照選型步驟①-③選擇型式和參數后進行訂購。
訂貨舉例:型式(①Type.②M)-③L
LODS3-L6
| 型號 | 材質 | 表面處理 |
| LODS | SUS303 | / |
| 型式 | L選擇 | A | F | h(max) | B | d | |||
| 型號 | M*P | ||||||||
| LODS | 3*0.5 | 6、8、10、12 | 6 | 1.3 | 0.65 | 1.5 | 1.2 | ||
| 4*0.7 | 6、8、10、12、16 | 8 | 1.5 | 0.65 | 2 | 1.5 | |||
| 5*0.8 | 10、12、16、20 | 9 | 1.5 | 0.65 | 3 | 1.5 | |||
| 6*1.0 | 10、12、16、20、30 | 10 | 1.5 | 0.65 | 3 | 2 | |||

掃一掃,關注我們