在線咨詢咨詢熱線:400-0755-965
咨詢客服,我們快速為您報價,或者提供技術支持!
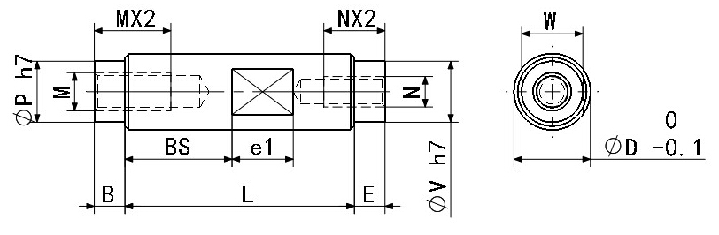
請按照選型步驟①-⑧選擇型式和參數后進行訂購。
訂貨舉例:型式(①Type.②D)-③L-④BS-⑤M-⑥N-⑦B-⑧E
SDWS8-L15-BS1-M3-N4-B2-E4
| Type | 材質 | 表面處理 | |
| 臺階(無扳手槽) | 臺階扳手槽 | ||
| SDZS | SDWS | SUS303 | / |
| SDZQN | SDWQN | 1215環保鐵 | 無電解鍍鎳 |
| 臺階(無扳手槽) | (臺階扳手槽) | D |
L 指定單位1mm |
BS 指定單位1mm |
粗牙螺紋 M 選擇 N 選擇 |
B 指定單位1mm |
E 指定單位1mm |
P | V | W | e1 |
|
SDZS SDZQN |
SDWS SDWQN |
8 | 15~150 | 0~142 | 3、4 | 2~4 | 2~4 | 6 | 6 | 7 | 8 |
| 10 | 15~350 | 0~342 | 4、5 | 2~5 | 2~5 | 8 | 8 | 8 | |||
| 12 | 20~400 | 0~390 | 5、6 | 2~6 | 2~6 | 10 | 10 | 10 | 10 | ||
| 15 | 25~400 | 0~390 | 6、8 | 2~8 | 2~8 | 12 | 12 | 13 | |||
| 20 | 40~400 | 0~390 | 6、8、10、12 | 2~10 | 2~10 | 16 | 16 |
17 |

掃一掃,關注我們