在線咨詢咨詢熱線:400-0755-965
咨詢客服,我們快速為您報價,或者提供技術支持!
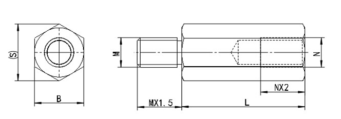
請按照選型步驟①-⑤選擇型式和參數后進行訂購。
訂貨舉例:型式(①Type.②B)-③L-④M-⑤N
SHXS6-L15-M3-N4
| Type | 相當材質 | 表面處理 |
| 一端外螺紋.一端內螺紋型 | ||
| SHXS | SUS303 | / |
| SHXQN | 1215環保鐵 | 無電解鍍鎳 |
| SHXH | H59 | / |
| 一端外螺紋 | B |
L (指定單位1mm) |
粗牙螺紋 M選擇 N 選擇 |
(S) |
|
SHXS SHXQN SHXH |
4 | 6~20 | 2 | 4.6 |
| 4.75 | 2.5 | 5.4 | ||
| 5 | 2.5、3 | 5.7 | ||
| 6 | 10~50 | 3、4 | 6.9 | |
| 7 | 15~150 | 3、4 | 8.1 | |
| 8 | 20~250 | 3、4、5 | 9.2 | |
| 10 | 25~350 | 4、5、6 | 11.5 | |
| 12 | 25~400 | 4、5、6、8 | 13.9 | |
| 13 | 30~400 | 4、5、6、8 | 15 | |
| 14 | 35~400 | 4、5、6、8、10 | 16.2 | |
| 17 | 5、6、8、10 |
19.6 |

掃一掃,關注我們