在線咨詢咨詢熱線:400-0755-965
咨詢客服,我們快速為您報價,或者提供技術支持!

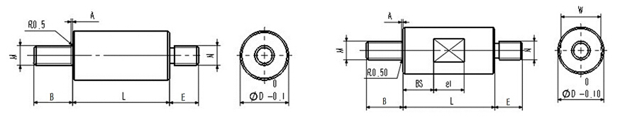
請按照選型步驟①-⑧選擇型式和參數后進行訂購。
| Type | 材質 | 表面處理 | |
| 帶扳手槽 | 不帶扳手槽 | ||
| SENS | SEBS | SUS303 | / |
| SENQN | SEBQN | 1215環保鐵 | 無電解鍍鎳 |
| SENH | SEBH | H59 | / |
| 帶扳手槽 | 不帶扳手槽 | D |
L 指定單位1mm |
B 指定單位1mm |
E 指定單位1mm |
BS 指定單位1mm |
粗牙螺紋 M 選擇 N 選擇 |
W | e1 | A | |
|
SENS SENQN SENH |
SEBS SEBQN SEBH |
6 | 15~50 | 5~10 | 5~10 | 0~42 | 3、4 | 5 | 8 | 1 | |
| 8 | 20~150 | 8~30 | 8~20 | 0~142 | 4、5 | 7 | 1.6 | ||||
| 10 | 20~350 | 8~45 | 8~20 | 0~342 | 4、5、6 | 8 | 2 | ||||
| 12 | 25~400 | 10~50 | 10~30 | 0~390 | 5、6、8 | 10 | 10 | 2.5 | |||
| 15 | 30~400 | 12~50 | 12~30 | 0~390 | 6、8、10 | 13 | 3 | ||||
| 20 | 40~400 | 15~60 | 15~40 | 0~390 | 6、8、10、12 | 17 |
3.5 |
||||

掃一掃,關注我們