在線咨詢咨詢熱線:400-0755-965
咨詢客服,我們快速為您報價,或者提供技術支持!
| Type | 材質 | 表面處理 | 硬度 | ||
| D尺寸p6 | D尺寸m6 | D尺寸h6 | |||
| BCFPKR | BCFMKR | BCFHKR | SKS3 | / | 55~60HRC |
| BCFPKRN | BCFMKRN | BCFHKRN | SKS3 | 無電解鍍鎳 | 55~60HRC |
| BCFPCR | BCFMCR | - | SUS440C | / | 53HRC~ |
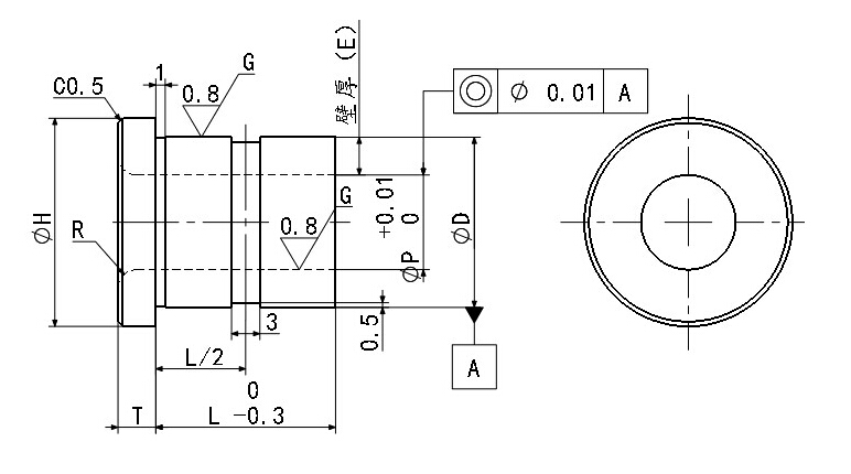
| 型式 | D |
P 指定單位0.01mm |
L 指定單位0.1mm |
壁厚(E) | R | H | T | ||
| Type | |||||||||
|
D尺寸p6 BCFPKR BCFPKRN BCFPCR |
D尺寸m6 BCFMKR BCFMKRN BCFMCR |
D尺寸h6 BCFHKR BCFHKRN |
8 | 4.00~4.50 | 8.0~10.0 | 1.75~2.50 | 1.0 | 12 | 3 |
| 10 | 4.00~6.50 | 8.0~15.0 | 1.75~3.00 | 1.0 | 14 | 3 | |||
| 12 | 6.00~8.50 | 1.75~3.00 | 2.0 | 16 | 4 | ||||
| 15 | 8.00~10.50 | 10.0~35.0 | 2.25~3.50 | 2.0 | 19 | 4 | |||
| 18 | 10.00~12.50 | 2.75~4.00 | 2.0 | 22 | 4 | ||||
| 20 | 12.00~13.50 | 3.25~4.00 | 2.0 | 26 | 5 | ||||
| 22 | 4.25~5.00 | 2.0 | 26 | 5 | |||||
| 25 | 13.00~15.50 | 4.75~6.00 | 2.0 | 30 | 5 | ||||
| 26 | 15.00~16.50 | 4.75~5.50 | 2.0 | 30 | 5 | ||||
| 30 | 16.00~20.50 | 12.0~50.0 | 4.75~7.00 | 3.0 | 35 | 6 | |||
| 35 | 20.00~25.00 | 5.00~7.50 | 3.0 | 40 | 6 | ||||
| D | D公差 | ||
| P6 | m6 | h6 | |
| 8 |
+0.024 +0.015 |
+0.015 +0.006 |
-0.000 -0.009 |
| 10 | |||
| 12 |
+0.029 +0.018 |
+0.018 +0.007 |
-0.000 -0.011 |
| 15 | |||
| 16 | |||
| 18 |
+0.035 +0.022 |
+0.021 +0.008 |
-0.000 -0.013 |
| 20 | |||
| 22 | |||
| 25 | |||
| 26 |
+0.042 +0.026 |
+0.025 +0.009 |
-0.000 -0.016 |
|
30 |
|||

掃一掃,關注我們