在線咨詢咨詢熱線:400-0755-965
咨詢客服,我們快速為您報價,或者提供技術支持!
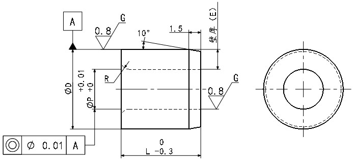
· 請按照選型步驟①-④選擇型式和參數后進行訂購。
訂貨舉例:型式(①Type.②D)-③P-④L
BACFPKR5-P2-L5
|
Type |
材質 |
表面處理 |
硬度 |
|
|
D尺寸P6 |
D尺寸m6 |
|||
|
BACFPKR |
BACFMKR |
SKS3 |
/ |
58~61HRC |
|
BACFPKRN |
BACFMKRN |
SKS3 |
無電解鍍鎳 |
58~61HRC |
|
BACFPCR |
BACFMCR |
SUS440C |
/ |
50~55HRC |
|
BACFPS |
BACFMS |
SUS303 |
/ |
/ |
·
|
型式 |
D容差 |
P |
L |
壁厚(E) |
R |
||
|
Type |
D |
D公差(p6) |
D公差(m6) |
||||
|
|
5 |
+0.02 |
+0.012 |
2.00~2.50 |
5.0~6.0 |
1.25~1.50 |
0.8 |
|
|
7 |
+0.024 |
+0.015 |
2.00~3.50 |
5.0~8.0 |
1.75~2.50 |
|
|
BACFPKR |
8 |
3.00~4.50 |
5.0~13.0 |
1 |
|||
|
BACFPKRN |
10 |
4.00~6.50 |
5.0~20.0 |
1.75~3.00 |
|||
|
BACFPCR |
12 |
+0.029 |
+0.018 |
6.00~8.50 |
2.0 |
||
|
BACFPS |
15 |
8.00~10.50 |
5.0~40.0 |
2.25~3.50 |
|||
|
BACFMKR |
18 |
10.00~12.50 |
2.75~4.00 |
||||
|
BACFMKRN |
20 |
+0.035 |
+0.021 |
12.00~13.50 |
3.25~4.00 |
||
|
BACFMCR |
22 |
4.25~5.00 |
|||||
|
BACFMS |
25 |
13.00~15.50 |
4.75~6.00 |
||||
|
|
26 |
15.00~16.50 |
4.75~5.50 |
||||
|
|
30 |
16.00~20.50 |
5.0~60.0 |
4.75~7.00 |
3 |
||
|
|
35 |
+0.042 |
+0.025 |
20.00~25.00 |
5.00~7.50 |
||
·
!P≤3.59時,L≤PX2.5 P≥3.6時,L≤Px3.0 !(D-P)/2≤2時,R為2以下。

掃一掃,關注我們