在線咨詢咨詢熱線:400-0755-965
咨詢客服,我們快速為您報價,或者提供技術支持!
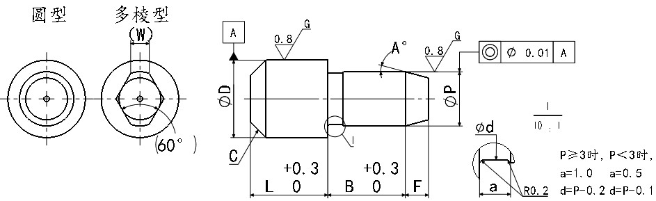
| Type | 相當材質 | 表面處理 | 硬度 | |
| 圓型 | 多棱型 | |||
| JBQKR | JBWKR | SKS3 | / | 58~61HRC |
| JBQKRG | JBWKRG | SKS3 | 鍍硬鉻 | 58~61HRC/鍍層硬度750HV |
| JBQCR | JBWCR | SUS440C | / | 53HRC |
| JBQS | JBWS | SUS303 | / | / |
| Type | D公差選擇 | P公差選擇 | NO. |
P 指定單位0.01mm |
L 指定單位1mm |
B 指定單位0.1mm |
F 指定單位0.1mm |
A 選擇 |
D |
M 粗牙螺絲 |
e | (W) | ||
| 圓型 | 多棱型 | 圓型 | 多棱型 | |||||||||||
|
JBQKR JBQKRG JBQCR JBQS |
JBWKR JBWKRG JBWCR JBWS |
M P G H |
M P G H S |
5 | 3.00~5.00 | 8~10 | 8~10 | 2.0~10.0 | 0.5~10.0 |
15 30 45 60 |
5 | M2 | 3 | 1.2 |
| 6 | 4.00~6.00 | 8~12 | 9~12 | 2.0~12.0 | 6 | M3 | 5 | 1.5 | ||||||
| 8 | 6.00~8.00 | 11~16 | 12~16 | 2.0~15.0 | 8 | M5 | 8 | 1.8 | ||||||
| 8Z | 8 | M4 | 6 | 1.8 | ||||||||||
| 10 | 7.00~10.00 | 11~20 | 12~20 | 3.0~20.0 | 10 | M5 | 8 | 2.2 | ||||||
| 12 | 7.00~12.00 | 12~24 | 12~24 | 12 | M5 | 8 | 2.5 | |||||||
| 13 | 8.00~13.00 | 13~26 | 14~26 | 5.0~20.0 | 13 | M8 | 10 | 3 | ||||||
| 16 | 10.00~16.00 | 16~32 | 16~32 | 16 | M8 | 12 | 4 | |||||||
| 20 | 13.00~20.00 | 20~40 | 20~40 | 20 | M8 | 12 | 5 | |||||||
| D或P | D、P公差選擇 | ||||
| M | P | G | H | S | |
| m6 | p6 | g6 | h7 | / | |
| 1.5.00-3.00 |
+0.008 +0.002 |
+0.012 +0.006 |
-0.002 -0.008 |
0 -0.010 |
0 -0.01 |
| 3.01-6.00 |
+0.012 +0.004 |
+0.02 +0.012 |
-0.004 -0.012 |
0 -0.012 |
|
| 6.01-10.00 |
+0.015 +0.006 |
+0.024 +0.015 |
-0.005 -0.014 |
0 -0.015 |
|
| 10.01-18.00 | +0.018 | +0.029 | -0.006 | 0 | |
| 18.01-20.00 | +0.021 | +0.035 | -0.007 |
0 |
|

掃一掃,關注我們