在線咨詢咨詢熱線:400-0755-965
咨詢客服,我們快速為您報價,或者提供技術支持!
| Type | 相當材質 | 表面處理 | 硬度 | |
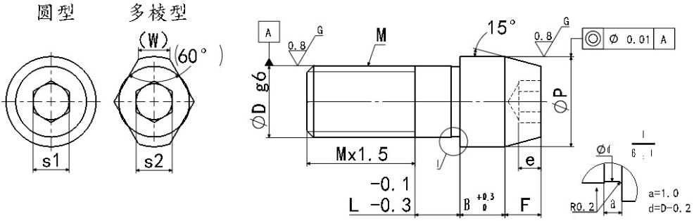
| 圓型 | 多棱型(適用于D≥6) | |||
| JASKR | JAHKR | SKS3 | / | 58-61HRC |
| JASKRG | JAHKRG | SKS3 | 鍍硬鉻 | 58-61HRC/鍍層硬度750HV |
| JASCR | JAHCR | SUS440C | / | 53HRC |
| JASS | JAHS | SUS303 | / | / |
| Type | D公差選擇 | P公差選擇 | D |
P 指定單位0.01mm |
L 指定單位1mm |
B 指定單位0.1mm |
M 粗牙螺紋 |
F | (W) | s1 | s2 | e | ||
| 圓型 | 多棱型 | 圓型 | 多棱型 | |||||||||||
|
JASKR JASKRG JASCR JASSS |
JAHKR JAHKRG JAHCR JAHSS (適用于D≥6) |
M P G H |
M P G H S |
3 | 6.00~6.50 | / | 2~6 | 3.5~10.0 | 3 | 2 | / | 3 | / | 2 |
| 4 | 6.50~7.00 | / | 2~8 | 2.5~10.0 | 3、4 | 2 | / | 3 | / | 2 | ||||
| 5 | 6.50~8.00 | / | 3~10 | 3、4、5 | 2 | / | 3 | / | 2 | |||||
| 6 | 6.50~10.00 | 8.00~10.00 | 2.5~12.0 | 4、5、6 | 2.5 | 3 | 3 | 3 | 2 | |||||
| 8 | 9.00~13.00 | 10.00~13.00 | 5~10 | 3.0~15.0 | 4、5、6、8 | 3 | 3.5 | 4 | 4 | 2.5 | ||||
| 10 | 11.00~15.00 | 12.00~15.00 | 5~15 | 4.5~20.0 | 5、6、8、10 | 4 | 4 | 5 | 5 | 3 | ||||
| 12 | 13.00~18.00 | 13.00~18.00 | 8~15 | 6.0~20.0 | 6、8、10、12 | 5 | 5 | 6 | 6 | 4 | ||||
| 16 | 17.00~25.00 | 17.00~25.00 | 8~20 | 8.0~20.0 | 8、10、12、16 | 5 | 7 | 8 | 8 | 5 | ||||
| 20 | 22.00~30.00 | 22.00~30.00 | 10~20 | 10、12、16、20 | 5 | 9 | 8 | 8 | 5 | |||||
| D或P | D、P公差選擇 | ||||
| M | P | G | H | S | |
| m6 | p6 | g6 | h7 | / | |
| 2.00-3.00 |
+0.008 +0.002 |
+0.012 +0.006 |
-0.002 -0.008 |
0 -0.010 |
0 -0.01 |
| 3.01-6.00 |
+0.012 +0.004 |
+0.02 +0.012 |
-0.004 -0.012 |
0 -0.012 |
|
| 6.01-10.00 |
+0.015 +0.006 |
+0.024 +0.015 |
-0.005 -0.014 |
0 -0.015 |
|
| 10.01-18.00 |
+0.018 +0.007 |
+0.029 +0.018 |
-0.006 -0.017 |
0 -0.018 |
|
| 18.01-30.00 |
+0.021 +0.008 |
+0.035 +0.022 |
-0.007 -0.020 |
0 -0.021 |
|

掃一掃,關注我們