在線咨詢咨詢熱線:400-0755-965
咨詢客服,我們快速為您報價,或者提供技術支持!
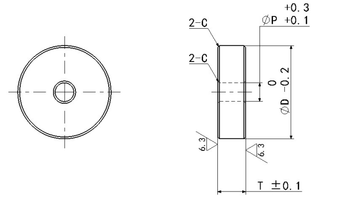
· 請按照選型步驟①-④選擇型式和參數后進行訂購。
訂貨舉例:型式(①Type.②D)-③P-④T
WABTY4-P2-T1
|
型號 |
相當材質 |
表面處理 |
|
WABTY |
S45C |
四氧化三鐵保護膜 |
|
WABTN |
S45C |
無電解鍍鎳 |
|
WABS |
SUS303 |
- |
·
|
Type |
D |
P |
T |
C |
|
|
4 |
2 |
1、2 |
0.2以下 |
|
|
5 |
2、3 |
1、2 |
|
|
|
6 |
2、3、4 |
1、2 |
|
|
|
8 |
2、3、4、5、6 |
1、2、3、5 |
|
|
|
10 |
2、3、4、5、6、8 |
1、2、3、5 |
|
|
WABTY |
12 |
3、4、5、6、8、10 |
1、2、3、5 |
|
|
WABTN |
13 |
4、5、6、8、10 |
1、2、3、5 |
|
|
WABS |
14 |
4、5、6、8、10 |
1、2、3、5 |
|
|
|
15 |
4、5、6、8、10、12 |
1、2、3、5 |
|
|
|
16 |
4、5、6、8、10、12 |
1、2、3、5 |
|
|
|
20 |
4、5、6、8、10、12、15 |
2、3、5 |
0.5以下 |
|
|
25 |
6、8、10、12、15、16、20 |
2、3、5 |
|
|
|
30 |
8、10、12、15、16、20、25 |
2、3、5 |
|
|
|
35 |
10、12、15、16、20、25 |
3、5、10 |
|
|
|
40 |
10、12、15、16、20、25、30 |
3、5、10 |
·

掃一掃,關注我們