在線咨詢咨詢熱線:400-0755-965
咨詢客服,我們快速為您報價,或者提供技術支持!
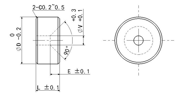
請按照選型步驟①-③選擇型式和參數后進行訂購。
訂貨舉例:型式(①Type.②D)-③L
WANTY14-2.5
| 型號 | 相當材質 | 表面處理 |
| WANTY | S45C | 四氧化三鐵保護膜 |
| WANTN | 無電解鍍鎳 | |
| WANS | SUS303 | - |
| 型式 | L選擇 | E | V | C | |
| 型號 | D | ||||
| 14 | 2.5 | 2.5 | 4.5 | 0.2 | |
| 4 | |||||
| 5 | |||||
| 16 | 3 | 3 | 5.5 | ||
| 4 | |||||
| WANTY | 5 | ||||
| 20 | 3.5 | 3.5 | 6.6 | ||
| WANTN | 4 | ||||
| WANS | 5 | ||||
| 25 | 5 | 5 | 9 | ||
| 6 | |||||
| 30 | 6 | 6 | 11 | ||
|
8 |
|||||

掃一掃,關注我們