在線咨詢咨詢熱線:400-0755-965
咨詢客服,我們快速為您報價,或者提供技術支持!
| Type | 材質 | 硬度 | 表面處理 |
| 帶扳手槽型 | |||
| PWPCR | SUS440C | SUS440C 高頻淬火53HRC~~ | / |
| PWPCRG | SUS440C |
鍍硬鉻
鍍層硬度HV750~
鍍層厚度3μm以上
|
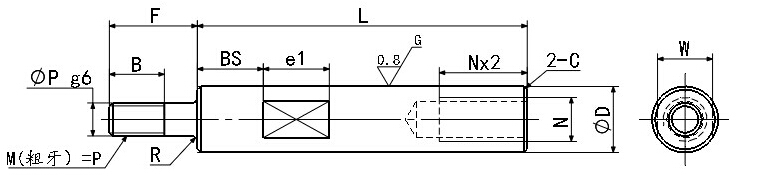
| Type | D(g6) | L指定單位1mm | M(粗牙) | N(粗牙) | 扳手槽尺寸 | R | C |
(Y)
Max.
|
|||||
| 帶扳手槽型 | L | F | B | BS | W | e1 | |||||||
|
PWPCR
PWPCRG
|
6 | -0.004 | 25~598 | 2≤F≤Px5 |
(P≤6時)
B≤F-2
(P=8或10時)
B≤F-3
(P≥12時)
B≤F-5
(無螺紋時)
B=0
!B≥螺距x3
|
3、4、5、6 | 3 |
BS=指定單位1mm
!BS+e1≤L
!BS≥0
|
5 | 8 | 0.3 | 0.5 | 600 |
| 8 |
-0.005
-0.014
|
25~798 | 3、4、5、6、8 | 3、4、5 | 7 | 800 | |||||||
| 10 | 4、5、6、8、10 | 3、4、5、6 | 8 | 800 | |||||||||
| 12 |
-0.006
-0.017
|
25~998 | 5、6、8、10、12 | 4、5、6、8 | 10 | 10 | 1000 | ||||||
| 13 | 5、6、8、10、12 | 4、5、6、8 | 11 | 1000 | |||||||||
| 15 | 5、6、8、10、12 | 4、5、6、8、10 | 13 | 1000 | |||||||||
| 16 | 25~1198 | 5、6、8、10、12、16 | 4、5、6、8、10 | 14 | 1.0 | 1200 | |||||||
| 20 |
-0.007
-0.020
|
6、8、10、12、16、20 | 4、5、6、8、10、12 | 17 | 1200 | ||||||||
| !D=P時,請指定B尺寸為F=B.但由于L尺寸、F尺寸優先加工,因此產品的B尺寸變為F-(螺距x2).!全長L必須滿足NX3≤L | |||||||||||||

掃一掃,關注我們